
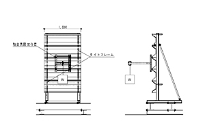
@ 支柱ベースを仮置きする。その時にハゼ金具の
ナットをインパクトレンチで緩めておく。

A 設置個所は、親綱システム用支柱の使用基準
(表1及び図1)に従って計測して位置を決める。

B ハゼ金具の口を広げて、ハゼ部に咬ませるように
セットする。(ハゼ金具4ヶ所)

C ハゼ金具のナットを手で仮締め後、インパクト
レンチで締め込み固定する。(ハゼ金具4ヶ所)

D 支柱を支柱ベースの中央ソケット部に
差し込む。

E 支柱ベースソケット部と支柱の穴にトグルピンで
貫通させて固定する。

F 親綱のフックを支柱の取付ピースに掛ける。

G 親綱を取付け、緊張器を用いて、概ね水平になる
ように緊張して完成。
寸法図・使用条件

1)支柱スパン5mに親網φ16を緊張器を使用して、緊張し、軒先側の中央(A)及び端部(B)から自由落下
| 落体落下位置 |
折板板厚 |
落下後支柱高さ |
落下後の特記事項 |
| A 軒先側中央 |
0.8mm |
左 84cm(90%)
右 83cm(88%) |
支柱曲り無し、支柱ソケット部に多少の変形あり
安全帯ランヤードに有害と思われる傷なし |
| 0.6mm |
左 78cm(83%)
右 79cm(84%) |
支柱曲り無し、支柱ソケット部に多少の変形あり
安全帯ランヤードに有害と思われる傷なし |
B 軒先側端部
(参考) |
0.8mm |
左 85cm(90%)
右 76cm(81%) |
支柱曲り無し、支柱ソケット部にねじれ変形
安全帯ランヤードに有害と思われる傷なし |
| 0.6mm |
左 90cm(96%)
右 80cm(85%) |
支柱曲り無し、支柱ソケット部にねじれ変形
安全帯ランヤードに有害と思われる傷なし |
3)墜落防護工安全基準(第2種)に基づく上さんの静荷重試験
| 種類 |
折板板厚 |
静荷重W(kg) |
たわみ量(mm) |
判定 |
| 第2種 |
0.8mm |
50 |
35 |
100mm以内OK |
| 115 |
108 |
破壊せずOK |
| 0.6mm |
50 |
40 |
100mm以内OK |
| 115 |
110 |
破壊せずOK |
4)墜落防護工安全基準(第2種)に基づく支柱の静荷重試験
| 種類 |
折板板厚 |
静荷重W(kg) |
たわみ量(mm) |
判定 |
| 第2種 |
0.8mm |
40 |
50 |
100mm以内OK |
| 95 |
(360) |
破壊せずOK |
| 0.6mm |
40 |
55 |
100mm以内OK |
| 95 |
(375) |
破壊せずOK |
金属折板屋根材の条件
1.馳(ハゼ)締めタイプ
馳(ハゼ) ピッチ 400mm、450mm、500mm、550mm、600mm
板厚 0.6mm~1.2mm
2.当製品を設置する金属折板屋根材の強度については、当社責任の範囲外となります。
強度確認の上、ご使用下さい。
※参考値ーハゼ金具1カ所当たり引張許容荷重 250kg
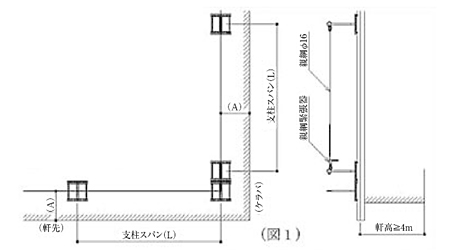
T.親綱システムの使用基準
屋根材の先端部(切断箇所)が鋭利なため万が一落下した場合、親綱が切れる危険性があるため、親綱が先端部に接触できない距離(A)を設定しています。
1)支柱の取付スパン(L)と軒先及びケラバの各々の端部から距離(A)を(表1)に示します。
(表1)
| スパン |
端部からの距離(A) |
軒高 |
| 5m |
1.5m以上 |
|
| 6m |
2.0m以上 |
| 7m |
2.5m以上 |
4m以上 |
| 8m |
3.0m以上 |
| 9m |
3.5m以上 |
|
| 10m |
注)最大スパンは10m迄とします。
2)親綱システムは1スパン1人のみ使用できます。
3)安全帯のランヤードは、織ロープ式とし、安全性の確認されたものを用いて、長さを1.7m以内のものをご使用下さい。
4)親綱(ポリエステル製)の外径は16mm以上のものをご使用下さい。(仮設工業会認定品)
5)親綱に緊張を与えるために親綱緊張器をご使用下さい。(仮設工業会認定品)
6)屋根傾斜は10%を限度とします。
U.防護工(第2種)用支柱の使用基準
1)手摺支柱の間隔(スパン)は2m以内とします。
2)手すり(上さん)及び中さんは単管パイプ(φ48.6)を使用して下さい。
3)屋根傾斜は10%を限度とします。
【禁止事項】
1.キズ、へこみ及び赤さびによる腐食等、強度の劣化が見込まれる金属折板屋根材には、
設置する事は出来ません。
2.馳(ハゼ)締め加工が終了していない屋根材には使用出来ません。
3.支柱の上部フックに直接安全帯のフックを取付けることは出来ません。親綱ロープに取付けて下さい。
4.転落等で一度衝撃を受けたシステム部材の再使用は出来ませんので破棄して下さい。
【使用前点検事項】
1.馳(ハゼ) 締め加工は完了しているか。
2.支柱のスパン及び端部からの距離は、使用基準の(表1)を満たしているか。
3.馳(ハゼ) 金具のボルトナットにゆるみはないか。
4.親綱ロープは緊張されているか。
5.緊張器は緊張した後、ゆるまない機能を備えているか。
【使用後点検事項】
1.馳(ハゼ) 金具のボルトナットをゆるみなく本体に固定しているか。